Контакты E-Mail: PMaxim2006@mail.ru Lolita.Einfeld@yandex.ru VK: id197545744 Instagram: @math_example

Решение задач и примеров

Информация
18.03.2024
Инструкция как оплачивать картой Каспи или Halyk для Казахстана
Прочитать инструкцию

18.03.2024
При добавлении товаров в корзину на сумму от 200 до 500 руб. и оформлении заказа активируется 5 % скидка на оплату, на сумму от 500 руб. активируется 10 % скидка на оплату

22.10.2022
Для Беларуси возможно оплачивать только банковской картой выпущенной в России или картой Белкарт МИР.
Также для Беларуси можно оплачивать Банковской картой Белкарт МИР или картой выпущенной в РФ, ЮMoney перейдя в раздел Решения заданий (digiseller) в меню сайта

23.08.2021
ЮMoney+Банковская карта. Принимаются виды оплат: Карты RU/РФ, ЮMoney-кошелек (Снижена комиссия)
Оплата картой Каспи или Halyk для Казахстана, пишите на почтовый ящик pmaxim2006@mail.ru

23.08.2021
В Digiseller можно найти все решения, что и на fizmathim.ru Перейти в Магазин на Digiseller
Можно воспользоваться формой поиска по первым 3-4 словам. Способы оплаты: Банковская карта (RU/РФ), ЮMoney, Webmoney, Unionpay, Alipay, Скины Steam

26.04.2019
- Все задачи оформлены в текстовом редакторе Microsoft Word, в PDF формате рассылаются решения отдельно.

- Ссылки действительны в течение 24 часов до первой попытки скачать (90 минут с момента первого скачивания).

05.02.2019
- Ссылка на скачивание задач, приходит на указанный вами почтовый ящик при оформлении заказа и его оплаты. Дополнительная рассылка оплаченных заказов на E-mail производится в течение нескольких минут/часов, тема писем имеет вид "Заказ xxxxx".
Форма входа
Главная Магазин готовых задач Физика Разные решения по физике

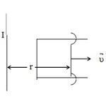
Длинный прямой проводник с током I и П- образный проводник с подвижной перемычкой расположены в одной плоскости как показано на рисунке Перемычку длина которой l и сопротивление R перемещают вправ


    30 руб.
  •        Единица: шт.
  •        Размер файла (.doc): 47.0Kb

  • Чтобы получить решение задачи: 1) Нажмите "справа" на кнопку "Купить задачу"Купить задачу сейчас
    2) Выбираете один из удобных способов оплаты (ЮMoney+Банковская карта RU/РФ, ЮMoney-кошелек (Снижена комиссия) Webmoney WMZ-USD; WMB-белорусские рубли). Для Казахстана оплата переводом на карту Каспи или Halyk.
    3) Укажите E-Mail, на него придет ссылка на скачивание оплаченной задачи.
    4) Нажмите на «Оформить заказ», затем «Перейти к оплате»

    Перед покупкой задачи рекомендуем Вам ознакомиться с Примерами решений
    Бесплатные решенные примеры по высшей математике
    Пробная покупка "тестовой задачи" магазина за 3 руб. (проверка оплаты/доставки) и инструкция по оплате через Webmoney, ЮMoney+Банковская карта RU/РФ. Перейти на страницу
    Помимо решений в Word'е, также в e-mail-рассылку входят решения купленных задач в PDF формате для удобства просмотра на смартфонах и планшетах. Письма на e-mail приходят с темой "Заказ xxxxx"
Купить задачу
  • Описание
Решенная задача по физике.
Раздел: Магнетизм. Электромагнетизм

Условие задачи:
Длинный прямой проводник с током I и П-образный проводник с подвижной перемычкой расположены в одной плоскости, как показано на рисунке. Перемычку, длина которой l и сопротивление R, перемещают вправо с постоянной скоростью υ. Найти ток, индуцируемый в контуре, как функцию расстояния r между перемычкой и прямым проводником. Сопротивление П-образного проводника и самоиндукция контура пренебрежимо малы.

Подробное решение. Оформлено в Microsoft Word 2003. (Задание решено с использованием редактора формул)
Решение задачи добавил: Massimo, Среда, 22.06.2016

Просмотренные ранее товары

При температуре 250 К и давлении 1,013∙105 Па двухатомный газ занимает объем 80 л. Как изменится энтропия газа, если давление увеличить вдвое, а температуру повысить до 300 К?
Решенная задача по физике. Раздел: Молекулярная физика и термодинамика Условие задачи: При температуре 250 К и давлении 1,013∙105 Па двухатомный газ занимает объем 80 л. Как изменится энтропия газа, если давление увеличить вдвое, а температуру повысить...
30 руб.

    Расстояние между штрихами дифракционной решетки d=4 мкм На решетку падает нормально свет с длиной волны λ=0,58 мкм Максимум какого наибольшего порядка дает эта решетка
    Решенная задача по физике. Раздел: Оптика. Квантовая оптика Условие задачи: Расстояние между штрихами дифракционной решетки d=4 мкм. На решетку падает нормально свет с длиной волны λ=0,58 мкм. Максимум какого наибольшего порядка дает эта решетка? Подро...
    20 руб.

      Гладкий однородный стержень AВ массы M и длины l свободно вращается с угловой скоростью в горизонтальной плоскости вокруг неподвижной вертикальной оси проходящей через его конец A Из точки А начинае
      Решенная задача по физике. Раздел: Кинематика, механика, динамика Условие задачи: Гладкий однородный стержень AВ массы M и длины l свободно вращается с угловой скоростью в горизонтальной плоскости вокруг неподвижной вертикальной оси, проходящей через е...
      30 руб.

        С какой скоростью должен лететь протон чтобы его релятивистская масса была равна массе покоя α-частицы
        Решенная задача по физике. Раздел: Элементы теории относительности Условие задачи: С какой скоростью должен лететь протон, чтобы его релятивистская масса была равна массе покоя α-частицы. Подробное решение. Оформлено в Microsoft Word 2003. (Задание реш...
        20 руб.

          На дифракционную решетку падает нормально монохроматический свет λ=410 нм Угол Δφ между направлениями на максимумы первого и второго порядков равен 2°21' Определить число n штрихов на 1 мм дифрак
          Решенная задача по физике. Раздел: Оптика. Квантовая оптика Условие задачи: На дифракционную решетку падает нормально монохроматический свет (λ=410 нм). Угол Δφ между направлениями на максимумы первого и второго порядков равен 2°21'. Определить число n...
          30 руб.
            Корзина
            Ваша корзина пуста
            Валюта

            • 1 руб. = 5.000₸
            • 10 руб. = 0.100 $
            Поиск в магазине
            Группа Vk.com Рынок цифровых товаров plati.market, игры, игровые аккаунты, itunes, appstore, xbox, steam, ключи, пин-коды Сертификат Webmoney www.webmoney.ru

            Пользовательское соглашение | Договор оферты  ЭЙНФЕЛЬД ЛОЛИТА РИЧАРДОВНА ИНН 502205387028
            Решение контрольных работ по высшей математике
            Fizmathim.ru © 2013 - 2025


            Visa, MasterCard, Мир
            Рейтинг@Mail.ru