Контакты E-Mail: PMaxim2006@mail.ru Lolita.Einfeld@yandex.ru VK: id197545744 Instagram: @math_example

Решение задач и примеров

Информация
18.03.2024
Инструкция как оплачивать картой Каспи или Halyk для Казахстана
Прочитать инструкцию

18.03.2024
При добавлении товаров в корзину на сумму от 200 до 500 руб. и оформлении заказа активируется 5 % скидка на оплату, на сумму от 500 руб. активируется 10 % скидка на оплату

22.10.2022
Для Беларуси возможно оплачивать только банковской картой выпущенной в России или картой Белкарт МИР.
Также для Беларуси можно оплачивать Банковской картой Белкарт МИР или картой выпущенной в РФ, ЮMoney перейдя в раздел Решения заданий (digiseller) в меню сайта

23.08.2021
ЮMoney+Банковская карта. Принимаются виды оплат: Карты RU/РФ, ЮMoney-кошелек (Снижена комиссия)
Оплата картой Каспи или Halyk для Казахстана, пишите на почтовый ящик pmaxim2006@mail.ru

23.08.2021
В Digiseller можно найти все решения, что и на fizmathim.ru Перейти в Магазин на Digiseller
Можно воспользоваться формой поиска по первым 3-4 словам. Способы оплаты: Банковская карта (RU/РФ), ЮMoney, Webmoney, Unionpay, Alipay, Скины Steam

26.04.2019
- Все задачи оформлены в текстовом редакторе Microsoft Word, в PDF формате рассылаются решения отдельно.

- Ссылки действительны в течение 24 часов до первой попытки скачать (90 минут с момента первого скачивания).

05.02.2019
- Ссылка на скачивание задач, приходит на указанный вами почтовый ящик при оформлении заказа и его оплаты. Дополнительная рассылка оплаченных заказов на E-mail производится в течение нескольких минут/часов, тема писем имеет вид "Заказ xxxxx".
Форма входа
Главная Магазин готовых задач Физика Разные решения по физике

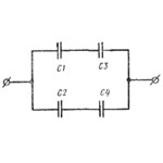
Четыре конденсатора электроемкостью 3 мкФ 5 мкФ 6 мкФ и 5 мкФ соединены по схеме изображенной на рисунке Вычислите электроемкость батареи конденсаторов


    30 руб.
  •        Единица: шт.
  •        Размер файла (.doc): 39.5Kb

  • Чтобы получить решение задачи: 1) Нажмите "справа" на кнопку "Купить задачу"Купить задачу сейчас
    2) Выбираете один из удобных способов оплаты (ЮMoney+Банковская карта RU/РФ, ЮMoney-кошелек (Снижена комиссия) Webmoney WMZ-USD; WMB-белорусские рубли). Для Казахстана оплата переводом на карту Каспи или Halyk.
    3) Укажите E-Mail, на него придет ссылка на скачивание оплаченной задачи.
    4) Нажмите на «Оформить заказ», затем «Перейти к оплате»

    Перед покупкой задачи рекомендуем Вам ознакомиться с Примерами решений
    Бесплатные решенные примеры по высшей математике
    Пробная покупка "тестовой задачи" магазина за 3 руб. (проверка оплаты/доставки) и инструкция по оплате через Webmoney, ЮMoney+Банковская карта RU/РФ. Перейти на страницу
    Помимо решений в Word'е, также в e-mail-рассылку входят решения купленных задач в PDF формате для удобства просмотра на смартфонах и планшетах. Письма на e-mail приходят с темой "Заказ xxxxx"
Купить задачу
  • Описание
Решенная задача по физике.
Раздел: Электростатика. Электричество и постоянный ток.

Условие задачи:
Четыре конденсатора электроемкостью 3 мкФ, 5 мкФ, 6 мкФ и 5 мкФ соединены по схеме, изображенной на рисунке. Вычислите электроемкость батареи конденсаторов.

Подробное решение. Оформлено в Microsoft Word 2003. (Задание решено с использованием редактора формул)
Решение задачи добавил: Massimo, Вторник, 05.05.2020

Просмотренные ранее товары

Найти вероятность того что при 400 испытаниях событие наступит ровно 104 раза если вероятность появления события в одном испытании равна 0,2
Решенная задача по теории вероятностей и математической статистике. Условие задачи: 748. Найти вероятность того, что при 400 испытаниях событие наступит ровно 104 раза, если вероятность появления события в одном испытании равна 0,2. Подробное решение. ...
30 руб.

    Вероятность появления события А хотя бы один раз при пяти независимых испытаниях равна 0,99757 Какова постоянная вероятность появления этого события при одном испытании
    Решенная задача по теории вероятностей и математической статистике. Условие задачи: 1323. Вероятность появления события А хотя бы один раз при пяти независимых испытаниях равна 0,99757. Какова постоянная вероятность появления этого события при одном ис...
    20 руб.

      Вероятность наступления события при одном испытании равна 0,4 С помощью формул Лапласа найти вероятность того что при 120 испытаниях событие наступит а) 40 раз б) не менее 40 раз
      Решенная задача по теории вероятностей и математической статистике. Условие задачи: 684. Вероятность наступления события при одном испытании равна 0,4. С помощью формул Лапласа найти вероятность того, что при 120 испытаниях событие наступит: а) 40 раз;...
      30 руб.

        В случайном эксперименте симметричную монету бросают пять раз Найдите вероятность того что решка выпадет ровно 4 раза
        Решенная задача по теории вероятностей и математической статистике. Условие задачи: 3544. В случайном эксперименте симметричную монету бросают пять раз. Найдите вероятность того, что решка выпадет ровно 4 раза. Подробное решение. Оформлено в Microsoft ...
        30 руб.

          Определите число электронов которое проходит через поперечное сечение проводника площадью 1 мм2 за 2 минуты при плотности тока 150А/см2
          Решенная задача по физике. Раздел: Электростатика. Электричество и постоянный ток. Условие задачи: Определите число электронов, которое проходит через поперечное сечение проводника площадью 1 мм2 за 2 минуты при плотности тока 150А/см2. Подробное решен...
          20 руб.
            Корзина
            Ваша корзина пуста
            Валюта

            • 1 руб. = 5.000₸
            • 10 руб. = 0.100 $
            Поиск в магазине
            Группа Vk.com Рынок цифровых товаров plati.market, игры, игровые аккаунты, itunes, appstore, xbox, steam, ключи, пин-коды Сертификат Webmoney www.webmoney.ru

            Пользовательское соглашение | Договор оферты  ЭЙНФЕЛЬД ЛОЛИТА РИЧАРДОВНА ИНН 502205387028
            Решение контрольных работ по высшей математике
            Fizmathim.ru © 2013 - 2025


            Visa, MasterCard, Мир
            Рейтинг@Mail.ru