Контакты E-Mail: PMaxim2006@mail.ru Lolita.Einfeld@yandex.ru VK: id197545744 Instagram: @math_example

Решение задач и примеров

Информация
18.03.2024
Инструкция как оплачивать картой Каспи или Halyk для Казахстана
Прочитать инструкцию

18.03.2024
При добавлении товаров в корзину на сумму от 200 до 500 руб. и оформлении заказа активируется 5 % скидка на оплату, на сумму от 500 руб. активируется 10 % скидка на оплату

22.10.2022
Для Беларуси возможно оплачивать только банковской картой выпущенной в России или картой Белкарт МИР.
Также для Беларуси можно оплачивать Банковской картой Белкарт МИР или картой выпущенной в РФ, ЮMoney перейдя в раздел Решения заданий (digiseller) в меню сайта

23.08.2021
ЮMoney+Банковская карта. Принимаются виды оплат: Карты RU/РФ, ЮMoney-кошелек (Снижена комиссия)
Оплата картой Каспи или Halyk для Казахстана, пишите на почтовый ящик pmaxim2006@mail.ru

23.08.2021
В Digiseller можно найти все решения, что и на fizmathim.ru Перейти в Магазин на Digiseller
Можно воспользоваться формой поиска по первым 3-4 словам. Способы оплаты: Банковская карта (RU/РФ), ЮMoney, Webmoney, Unionpay, Alipay, Скины Steam

26.04.2019
- Все задачи оформлены в текстовом редакторе Microsoft Word, в PDF формате рассылаются решения отдельно.

- Ссылки действительны в течение 24 часов до первой попытки скачать (90 минут с момента первого скачивания).

05.02.2019
- Ссылка на скачивание задач, приходит на указанный вами почтовый ящик при оформлении заказа и его оплаты. Дополнительная рассылка оплаченных заказов на E-mail производится в течение нескольких минут/часов, тема писем имеет вид "Заказ xxxxx".
Форма входа
Главная Магазин готовых задач Физика Разные решения по физике

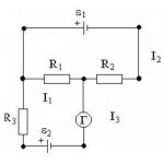
Электрическая цепь изображена на рис.. Здесь R1 = 100 Ом R2 = 50 Ом R3 = 20 Ом, ЭДС элемента ε1 = 2 В Через гальванометр идет ток I3 = 50 мА в направлении указанном стрелкой Определить ЭДС ε2


    30 руб.
  •        Единица: шт.
  •        Размер файла (.doc): 55.0Kb

  • Чтобы получить решение задачи: 1) Нажмите "справа" на кнопку "Купить задачу"Купить задачу сейчас
    2) Выбираете один из удобных способов оплаты (ЮMoney+Банковская карта RU/РФ, ЮMoney-кошелек (Снижена комиссия) Webmoney WMZ-USD; WMB-белорусские рубли). Для Казахстана оплата переводом на карту Каспи или Halyk.
    3) Укажите E-Mail, на него придет ссылка на скачивание оплаченной задачи.
    4) Нажмите на «Оформить заказ», затем «Перейти к оплате»

    Перед покупкой задачи рекомендуем Вам ознакомиться с Примерами решений
    Бесплатные решенные примеры по высшей математике
    Пробная покупка "тестовой задачи" магазина за 3 руб. (проверка оплаты/доставки) и инструкция по оплате через Webmoney, ЮMoney+Банковская карта RU/РФ. Перейти на страницу
    Помимо решений в Word'е, также в e-mail-рассылку входят решения купленных задач в PDF формате для удобства просмотра на смартфонах и планшетах. Письма на e-mail приходят с темой "Заказ xxxxx"
Купить задачу
  • Описание
Решенная задача по физике.
Раздел: Электростатика. Электричество и постоянный ток.

Условие задачи:
Электрическая цепь изображена на рис.. Здесь R1 = 100 Ом, R2 = 50 Ом, R3 = 20 Ом, ЭДС элемента ε1 = 2 В. Через гальванометр идет ток I3 = 50 мА в направлении, указанном стрелкой. Определить ЭДС ε2. Сопротивлением гальванометра и внутренними сопротивлениями элементов пренебречь.

Подробное решение. Оформлено в Microsoft Word 2003. (Задание решено с использованием редактора формул)
Решение задачи добавил: Massimo, Пятница, 08.11.2013

Просмотренные ранее товары

Поле образовано точечным диполем с электрическим моментом р = 200 пКл•м Определить разность потенциалов U двух точек поля расположенных симметрично относительно диполя на его оси на расстоянии r = 4
Поле образовано точечным диполем с электрическим моментом р = 200 пКл•м. Определить разность потенциалов U двух точек поля, расположенных симметрично относительно диполя на его оси на расстоянии r = 40 см от центра диполя. Подробное решение. Оформлено...
30 руб.

    Определить индукцию магнитного поля в циклотроне который используется для сообщения протону энергии 4 МэВ если максимальный радиус полуокружности внутри дуанта равен 60 см
    Определить индукцию магнитного поля в циклотроне, который используется для сообщения протону энергии 4 МэВ, если максимальный радиус полуокружности внутри дуанта равен 60 см. Подробное решение. Оформлено в Microsoft Word 2003
    30 руб.

      Шар и сплошной цилиндр изготовленные из одного и того же материала одинаковой массы катятся без скольжения с одинаковой скоростью Определите во сколько раз кинетическая энергия шара меньше кинетич
      Решенная задача по физике. Раздел: Кинематика, механика, динамика Условие задачи: Шар и сплошной цилиндр, изготовленные из одного и того же материала, одинаковой массы катятся без скольжения с одинаковой скоростью. Определите, во сколько раз кинетическ...
      30 руб.

        Найти энергию ядерной реакции 147N+42He→178O+11H
        Решенная задача по физике. Раздел: Квантовая, ядерная физика Условие задачи: Найти энергию ядерной реакции 147N+42He→178O+11H Подробное решение. Оформлено в Microsoft Word 2003. (Задание решено с использованием редактора формул)
        20 руб.

          Индуктивность L колебательного контура равна 0,5 мГн Какова должна быть электроемкость C контура чтобы он резонировал на длину волны λ=300 м
          Решенная задача по физике. Раздел: Колебания и волны Условие задачи: Индуктивность L колебательного контура равна 0,5 мГн. Какова должна быть электроемкость C контура, чтобы он резонировал на длину волны λ=300 м? Подробное решение. Оформлено в Microsof...
          20 руб.
            Корзина
            Ваша корзина пуста
            Валюта

            • 10 руб. = 0.100 $
            • 1 руб. = 5.000₸
            Поиск в магазине
            Группа Vk.com Рынок цифровых товаров plati.market, игры, игровые аккаунты, itunes, appstore, xbox, steam, ключи, пин-коды Сертификат Webmoney www.webmoney.ru

            Пользовательское соглашение | Договор оферты  ЭЙНФЕЛЬД ЛОЛИТА РИЧАРДОВНА ИНН 502205387028
            Решение контрольных работ по высшей математике
            Fizmathim.ru © 2013 - 2025


            Visa, MasterCard, Мир
            Рейтинг@Mail.ru