Контакты E-Mail: PMaxim2006@mail.ru Lolita.Einfeld@yandex.ru VK: id197545744 Instagram: @math_example

Решение задач и примеров

Информация
18.03.2024
Инструкция как оплачивать картой Каспи или Halyk для Казахстана
Прочитать инструкцию

18.03.2024
При добавлении товаров в корзину на сумму от 200 до 500 руб. и оформлении заказа активируется 5 % скидка на оплату, на сумму от 500 руб. активируется 10 % скидка на оплату

22.10.2022
Для Беларуси возможно оплачивать только банковской картой выпущенной в России или картой Белкарт МИР.
Также для Беларуси можно оплачивать Банковской картой Белкарт МИР или картой выпущенной в РФ, ЮMoney перейдя в раздел Решения заданий (digiseller) в меню сайта

23.08.2021
ЮMoney+Банковская карта. Принимаются виды оплат: Карты RU/РФ, ЮMoney-кошелек (Снижена комиссия)
Оплата картой Каспи или Halyk для Казахстана, пишите на почтовый ящик pmaxim2006@mail.ru

23.08.2021
В Digiseller можно найти все решения, что и на fizmathim.ru Перейти в Магазин на Digiseller
Можно воспользоваться формой поиска по первым 3-4 словам. Способы оплаты: Банковская карта (RU/РФ), ЮMoney, Webmoney, Unionpay, Alipay, Скины Steam

26.04.2019
- Все задачи оформлены в текстовом редакторе Microsoft Word, в PDF формате рассылаются решения отдельно.

- Ссылки действительны в течение 24 часов до первой попытки скачать (90 минут с момента первого скачивания).

05.02.2019
- Ссылка на скачивание задач, приходит на указанный вами почтовый ящик при оформлении заказа и его оплаты. Дополнительная рассылка оплаченных заказов на E-mail производится в течение нескольких минут/часов, тема писем имеет вид "Заказ xxxxx".
Форма входа
Главная Магазин готовых задач Физика Решения задач школьного курса физики

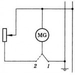
Объяснить принцип торможения трамвая когда водитель отключив двигатель от контактной сети (рис.) переводит его в режим генератора ключ переводится из положения 1 в положение 2 Как зависит ускоре


    10 руб.
  •        Единица: шт.
  •        Размер файла (.doc): 25.0Kb

  • Чтобы получить решение задачи: 1) Нажмите "справа" на кнопку "Купить задачу"Купить задачу сейчас
    2) Выбираете один из удобных способов оплаты (ЮMoney+Банковская карта RU/РФ, ЮMoney-кошелек (Снижена комиссия) Webmoney WMZ-USD; WMB-белорусские рубли). Для Казахстана оплата переводом на карту Каспи или Halyk.
    3) Укажите E-Mail, на него придет ссылка на скачивание оплаченной задачи.
    4) Нажмите на «Оформить заказ», затем «Перейти к оплате»

    Перед покупкой задачи рекомендуем Вам ознакомиться с Примерами решений
    Бесплатные решенные примеры по высшей математике
    Пробная покупка "тестовой задачи" магазина за 3 руб. (проверка оплаты/доставки) и инструкция по оплате через Webmoney, ЮMoney+Банковская карта RU/РФ. Перейти на страницу
    Помимо решений в Word'е, также в e-mail-рассылку входят решения купленных задач в PDF формате для удобства просмотра на смартфонах и планшетах. Письма на e-mail приходят с темой "Заказ xxxxx"
Купить задачу
  • Описание
Решенная задача по физике.
Раздел: Электромагнетизм

Условие задачи:
Объяснить принцип торможения трамвая, когда водитель, отключив двигатель от контактной сети (рис.), переводит его в режим генератора (ключ переводится из положения 1 в положение 2). Как зависит ускорение (быстрота торможения) трамвая: а) от нагрузки (сопротивления резистора) при данной скорости движения трамвая; б) от скорости трамвая при данной нагрузке?

Решение задачи добавил: Massimo, Среда, 15.10.2014

Просмотренные ранее товары

В системе отсчета связанной с землей трамвай движется со скоростью υ = 2,4 м/с а три пешехода – с одинаковыми по модулю скоростями υ1 = υ2 = υ3 = 1 м/с Найти а) модули скоростей пешеходов в сист
Решенная задача по физике. Раздел: Механика, кинематика, динамика Условие задачи: В системе отсчета, связанной с землей, трамвай движется со скоростью υ = 2,4 м/с, а три пешехода – с одинаковыми по модулю скоростями υ1 = υ2 = υ3 = 1 м/с. Найти: а) моду...
20 руб.

    147. Для осаждения в виде АgСl всего серебра, содержащегося в 100 см3 раствора АgNО3, потребовалось 50 см3 0,2 н. раствора HCl. Какова нормальность раствора АgNО3? Какая масса AgCl выпала в осадок?
    147. Для осаждения в виде АgСl всего серебра, содержащегося в 100 см3 раствора АgNО3, потребовалось 50 см3 0,2 н. раствора HCl. Какова нормальность раствора АgNО3? Какая масса AgCl выпала в осадок? Подробное решение. Оформлено в Microsoft Word 2003
    30 руб.

      15. В среде ε = 3 μ = 1 распространяется плоская электромагнитная волна Амплитуда напряженности магнитного поля волны 0,5 А/м На ее пути перпендикулярно направлению распространения расположена поглощ
      В среде (ε = 3, μ = 1) распространяется плоская электромагнитная волна. Амплитуда напряженности магнитного поля волны 0,5 А/м. На ее пути перпендикулярно направлению распространения расположена поглощающая поверхность, имеющая форму круга радиусом 0,1 ...
      25 руб.

        Заряды +q и −q расположены так как показано на рисунке Заряд q/2 помещают сначала в точку С затем в точку D Сравнить силы (по модулю) действующие на этот заряд если DA = СА = СВ
        Решенная задача по физике. Раздел: Электростатика. Постоянный ток Условие задачи: Заряды +q и −q расположены так, как показано на рисунке. Заряд q/2 помещают сначала в точку С, затем в точку D. Сравнить силы (по модулю), действующие на этот заряд, если...
        15 руб.

          Вырежьте из бумаги кружок чуть меньшего диаметра, чем монета. Отпустите одновременно монету и кружок. Какое из этих тел упадет раньше? Объясните явление. Положите бумажный кружок на монету и отпустите
          Решенная задача по физике. Раздел: Механика, кинематика, динамика Условие задачи: Вырежьте из бумаги кружок чуть меньшего диаметра, чем монета. Отпустите одновременно монету и кружок. Какое из этих тел упадет раньше? Объясните явление. Положите бумажны...
          5 руб.
            Корзина
            Ваша корзина пуста
            Валюта

            • 10 руб. = 0.100 $
            • 1 руб. = 5.000₸
            Поиск в магазине
            Группа Vk.com Рынок цифровых товаров plati.market, игры, игровые аккаунты, itunes, appstore, xbox, steam, ключи, пин-коды Сертификат Webmoney www.webmoney.ru

            Пользовательское соглашение | Договор оферты  ЭЙНФЕЛЬД ЛОЛИТА РИЧАРДОВНА ИНН 502205387028
            Решение контрольных работ по высшей математике
            Fizmathim.ru © 2013 - 2025


            Visa, MasterCard, Мир
            Рейтинг@Mail.ru