Контакты E-Mail: PMaxim2006@mail.ru Lolita.Einfeld@yandex.ru VK: id197545744 Instagram: @math_example

Решение задач и примеров

Информация
18.03.2024
Инструкция как оплачивать картой Каспи или Halyk для Казахстана
Прочитать инструкцию

18.03.2024
При добавлении товаров в корзину на сумму от 200 до 500 руб. и оформлении заказа активируется 5 % скидка на оплату, на сумму от 500 руб. активируется 10 % скидка на оплату

22.10.2022
Для Беларуси возможно оплачивать только банковской картой выпущенной в России или картой Белкарт МИР.
Также для Беларуси можно оплачивать Банковской картой Белкарт МИР или картой выпущенной в РФ, ЮMoney перейдя в раздел Решения заданий (digiseller) в меню сайта

23.08.2021
ЮMoney+Банковская карта. Принимаются виды оплат: Карты RU/РФ, ЮMoney-кошелек (Снижена комиссия)
Оплата картой Каспи или Halyk для Казахстана, пишите на почтовый ящик pmaxim2006@mail.ru

23.08.2021
В Digiseller можно найти все решения, что и на fizmathim.ru Перейти в Магазин на Digiseller
Можно воспользоваться формой поиска по первым 3-4 словам. Способы оплаты: Банковская карта (RU/РФ), ЮMoney, Webmoney, Unionpay, Alipay, Скины Steam

26.04.2019
- Все задачи оформлены в текстовом редакторе Microsoft Word, в PDF формате рассылаются решения отдельно.

- Ссылки действительны в течение 24 часов до первой попытки скачать (90 минут с момента первого скачивания).

05.02.2019
- Ссылка на скачивание задач, приходит на указанный вами почтовый ящик при оформлении заказа и его оплаты. Дополнительная рассылка оплаченных заказов на E-mail производится в течение нескольких минут/часов, тема писем имеет вид "Заказ xxxxx".
Форма входа
Главная Магазин готовых задач Физика Решения задач школьного курса физики

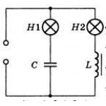
Лампы питаются от ЗГ При некоторой частоте накал ламп одинаков Как изменится накал если частоту: а) увеличить; б) уменьшить


    10 руб.
  •        Единица: шт.
  •        Размер файла (.doc): 25.0Kb

  • Чтобы получить решение задачи: 1) Нажмите "справа" на кнопку "Купить задачу"Купить задачу сейчас
    2) Выбираете один из удобных способов оплаты (ЮMoney+Банковская карта RU/РФ, ЮMoney-кошелек (Снижена комиссия) Webmoney WMZ-USD; WMB-белорусские рубли). Для Казахстана оплата переводом на карту Каспи или Halyk.
    3) Укажите E-Mail, на него придет ссылка на скачивание оплаченной задачи.
    4) Нажмите на «Оформить заказ», затем «Перейти к оплате»

    Перед покупкой задачи рекомендуем Вам ознакомиться с Примерами решений
    Бесплатные решенные примеры по высшей математике
    Пробная покупка "тестовой задачи" магазина за 3 руб. (проверка оплаты/доставки) и инструкция по оплате через Webmoney, ЮMoney+Банковская карта RU/РФ. Перейти на страницу
    Помимо решений в Word'е, также в e-mail-рассылку входят решения купленных задач в PDF формате для удобства просмотра на смартфонах и планшетах. Письма на e-mail приходят с темой "Заказ xxxxx"
Купить задачу
  • Описание
Решенная задача по физике.
Раздел: Колебания и волны

Условие задачи:
Лампы питаются от ЗГ. При некоторой частоте накал ламп одинаков. Как изменится накал, если частоту: а) увеличить; б) уменьшить?

Подробное решение. Оформлено в Microsoft Word 2003. (Задание решено с использованием редактора формул)
Решение задачи добавил: Massimo, Среда, 22.10.2014

Просмотренные ранее товары

Во сколько раз увеличится объем водорода содержащий количество вещества ν=0,4моль при изотермическом расширении если при этом газ получит теплоту Q =800 Дж Температура водорода Т =300 К
Решенная задача по физике. Раздел: Молекулярная физика и термодинамика Условие задачи: Во сколько раз увеличится объем водорода, содержащий количество вещества ν=0,4моль при изотермическом расширении, если при этом газ получит теплоту Q =800 Дж? Темпер...
30 руб.

    Применяя закон Ампера для силы взаимодействия двух параллельных токов выведите числовое значение магнитной постоянной μ0
    Решенная задача по физике. Раздел: Магнетизм. Электромагнетизм Условие задачи: Применяя закон Ампера для силы взаимодействия двух параллельных токов, выведите числовое значение магнитной постоянной μ0. Подробное решение. Оформлено в Microsoft Word 2003...
    20 руб.

      Из 3 юношей и 2 девушек выбирается комиссия из 3 человек какова вероятность того что в комиссию попадут 1 девушка и 2 юноши
      Решенная задача по теории вероятностей и математической статистике. Условие задачи: 2486. Из 3 юношей и 2 девушек выбирается комиссия из 3 человек, какова вероятность того, что в комиссию попадут 1 девушка и 2 юноши? Подробное решение. Оформлено в Micr...
      30 руб.

        Из 10 карандашей (5 красных остальные синие) наугад выбрали 4 Найти Р (выбраны 2 красных)
        Решенная задача по теории вероятностей и математической статистике. Условие задачи: 3134. Из 10 карандашей (5 красных, остальные синие) наугад выбрали 4. Найти Р (выбраны 2 красных). Подробное решение. Оформлено в Microsoft Word 2003. (Задание решено с...
        30 руб.

          Магний массой 6,0 г сожгли в кислороде, при этом выделилось 150,5 кДж. Определите энтальпию образования оксида магния
          Магний массой 6,0 г сожгли в кислороде, при этом выделилось 150,5 кДж. Определите энтальпию образования оксида магния, напишите термохимическое и термодинамическое уравнения. Подробное решение. Оформлено в Microsoft Word 2003. (Задание решено с использ...
          30 руб.
            Корзина
            Ваша корзина пуста
            Валюта

            • 1 руб. = 5.000₸
            • 10 руб. = 0.100 $
            Поиск в магазине
            Группа Vk.com Рынок цифровых товаров plati.market, игры, игровые аккаунты, itunes, appstore, xbox, steam, ключи, пин-коды Сертификат Webmoney www.webmoney.ru

            Пользовательское соглашение | Договор оферты  ЭЙНФЕЛЬД ЛОЛИТА РИЧАРДОВНА ИНН 502205387028
            Решение контрольных работ по высшей математике
            Fizmathim.ru © 2013 - 2026


            Visa, MasterCard, Мир
            Рейтинг@Mail.ru