Контакты E-Mail: PMaxim2006@mail.ru Lolita.Einfeld@yandex.ru VK: id197545744 Instagram: @math_example

Решение задач и примеров

Информация
18.03.2024
Инструкция как оплачивать картой Каспи или Halyk для Казахстана
Прочитать инструкцию

18.03.2024
При добавлении товаров в корзину на сумму от 200 до 500 руб. и оформлении заказа активируется 5 % скидка на оплату, на сумму от 500 руб. активируется 10 % скидка на оплату

22.10.2022
Для Беларуси возможно оплачивать только банковской картой выпущенной в России или картой Белкарт МИР.
Также для Беларуси можно оплачивать Банковской картой Белкарт МИР или картой выпущенной в РФ, ЮMoney перейдя в раздел Решения заданий (digiseller) в меню сайта

23.08.2021
ЮMoney+Банковская карта. Принимаются виды оплат: Карты RU/РФ, ЮMoney-кошелек (Снижена комиссия)
Оплата картой Каспи или Halyk для Казахстана, пишите на почтовый ящик pmaxim2006@mail.ru

23.08.2021
В Digiseller можно найти все решения, что и на fizmathim.ru Перейти в Магазин на Digiseller
Можно воспользоваться формой поиска по первым 3-4 словам. Способы оплаты: Банковская карта (RU/РФ), ЮMoney, Webmoney, Unionpay, Alipay, Скины Steam

26.04.2019
- Все задачи оформлены в текстовом редакторе Microsoft Word, в PDF формате рассылаются решения отдельно.

- Ссылки действительны в течение 24 часов до первой попытки скачать (90 минут с момента первого скачивания).

05.02.2019
- Ссылка на скачивание задач, приходит на указанный вами почтовый ящик при оформлении заказа и его оплаты. Дополнительная рассылка оплаченных заказов на E-mail производится в течение нескольких минут/часов, тема писем имеет вид "Заказ xxxxx".
Форма входа
Главная Магазин готовых задач Физика Разные решения по физике

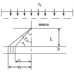
На дифракционную решетку длиной 10 мм имеющую 400 штрихов на 1 мм падает нормально свет от разрядной трубки Помещенная вблизи решетки линза проецирует дифракционную картину рис. на плоский экран


    30 руб.
  •        Единица: шт.
  •        Размер файла (.doc): 87.0Kb

  • Чтобы получить решение задачи: 1) Нажмите "справа" на кнопку "Купить задачу"Купить задачу сейчас
    2) Выбираете один из удобных способов оплаты (ЮMoney+Банковская карта RU/РФ, ЮMoney-кошелек (Снижена комиссия) Webmoney WMZ-USD; WMB-белорусские рубли). Для Казахстана оплата переводом на карту Каспи или Halyk.
    3) Укажите E-Mail, на него придет ссылка на скачивание оплаченной задачи.
    4) Нажмите на «Оформить заказ», затем «Перейти к оплате»

    Перед покупкой задачи рекомендуем Вам ознакомиться с Примерами решений
    Бесплатные решенные примеры по высшей математике
    Пробная покупка "тестовой задачи" магазина за 3 руб. (проверка оплаты/доставки) и инструкция по оплате через Webmoney, ЮMoney+Банковская карта RU/РФ. Перейти на страницу
    Помимо решений в Word'е, также в e-mail-рассылку входят решения купленных задач в PDF формате для удобства просмотра на смартфонах и планшетах. Письма на e-mail приходят с темой "Заказ xxxxx"
Купить задачу
  • Описание
Решенная задача по физике.
Раздел: Квантовая, ядерная физика

Условие задачи:
На дифракционную решетку длиной 10 мм, имеющую 400 штрихов на 1 мм, падает нормально свет от разрядной трубки. Помещенная вблизи решетки линза проецирует дифракционную картину (рис.) на плоский экран Э, удаленный от линзы на расстояние 1м. Определить:
1) ширину спектра первого порядка, если границы видимого спектра составляют 780 нм (красный край спектра) и 400 нм (фиолетовый край спектра);
2) число спектральных линий красного цвета, которые теоретически можно наблюдать с помощью данной дифракционной решетки;
3) в спектре какого порядка эта решетка может разрешить две линии с длиной волны, равной 500 нм и 500,1 нм

Подробное решение. Оформлено в Microsoft Word 2003. (Задание решено с использованием редактора формул)
Решение задачи добавил: Massimo, Суббота, 01.11.2014

Просмотренные ранее товары

С какой скоростью должен двигаться мотоциклист по выпуклому участку дороги имеющему радиус кривизны 40 м чтобы в верхней точке давление на дорогу было равно нулю
Решенная задача по физике. Раздел: Кинематика, механика, динамика Условие задачи: С какой скоростью должен двигаться мотоциклист по выпуклому участку дороги, имеющему радиус кривизны 40 м, чтобы в верхней точке давление на дорогу было равно нулю? Подро...
30 руб.

    Длина волны на которую приходится максимум энергии в спектре излучения черного тела 0,58 мкм Определить энергетическую светимость излучательность поверхности тела
    Решенная задача по физике. Раздел: Оптика. Квантовая оптика Условие задачи: Длина волны, на которую приходится максимум энергии в спектре излучения черного тела 0,58 мкм. Определить энергетическую светимость (излучательность) поверхности тела. Подробно...
    20 руб.

      Опыт Юнга был проведен в прозрачной жидкости вначале с монохроматическим светом длины волны λ1 = 600 нм а затем – со светом другой длины волны λ2 Определить длину волны во втором случае если 7 -я
      Опыт Юнга был проведен в прозрачной жидкости вначале с монохроматическим светом длины волны λ1 = 600 нм, а затем – со светом другой длины волны λ2. Определить длину волны во втором случае, если 7 -я светлая полоса в первом случае совпадает с 10-й темно...
      30 руб.

        Сколько ватт потребляет нагреватель электрического чайника если 1 л воды закипает через 3 мин Каково сопротивление нагревателя если напряжение в сети 220В Начальная температура воды 5°С
        Решенная задача по физике. Раздел: Электростатика. Электричество и постоянный ток. Условие задачи: Сколько ватт потребляет нагреватель электрического чайника, если 1 л воды закипает через 3 мин? Каково сопротивление нагревателя, если напряжение в сети ...
        30 руб.

          Определить энергию Q ядерной реакции Ве9(n,γ)Ве10 если известно что энергия связи Есв ядра Ве9 равна 58,16 МэВ а ядра Ве10 – 64,98 МэВ
          Решенная задача по физике. Раздел: Квантовая, ядерная физика Условие задачи: Определить энергию Q ядерной реакции Ве9(n,γ)Ве10, если известно, что энергия связи Есв ядра Ве9 равна 58,16 МэВ, а ядра Ве10 – 64,98 МэВ. Подробное решение. Оформлено в Micro...
          30 руб.
            Корзина
            Ваша корзина пуста
            Валюта

            • 1 руб. = 5.000₸
            • 10 руб. = 0.100 $
            Поиск в магазине
            Группа Vk.com Рынок цифровых товаров plati.market, игры, игровые аккаунты, itunes, appstore, xbox, steam, ключи, пин-коды Сертификат Webmoney www.webmoney.ru

            Пользовательское соглашение | Договор оферты  ЭЙНФЕЛЬД ЛОЛИТА РИЧАРДОВНА ИНН 502205387028
            Решение контрольных работ по высшей математике
            Fizmathim.ru © 2013 - 2026


            Visa, MasterCard, Мир
            Рейтинг@Mail.ru